Большой горизонтальный одноосевой поворотный стол ЧПУ HRT-1000 GSA+
Большой горизонтальный одноосевой поворотный стол ЧПУ HRT-1000 GSA+
Промышленное оборудование от компании 'Невастанкомаш' - это надежность, качество и высокая производительность. Наш горизонтальный одноосевой поворотный стол ЧПУ HRT-1000 GSA+ - это идеальное решение для вашего производства.
Преимущества товара:
- Высокая точность позиционирования
- Простота управления с помощью ЧПУ
- Долговечность и надежность
- Широкий диапазон скоростей вращения
- Идеально подходит для обработки крупногабаритных деталей
Особенности товара:
- Большой рабочий диаметр
- Прочная конструкция из высококачественных материалов
- Современная система ЧПУ для точного управления
- Удобная панель управления с интуитивно понятным интерфейсом
Назначение и сферы применения:
Горизонтальный одноосевой поворотный стол ЧПУ HRT-1000 GSA+ предназначен для точной обработки деталей, требующих высокой точности и скорости. Он идеально подходит для использования в промышленности, машиностроении, авиации и других отраслях, где необходимо высококачественное оборудование для производства.
Большие горизонтальные одноосевые поворотные столы предназначены для горизонтальных и координатно-расточных ОЦ. Исполнение как с дискретным поворотом, так и непрерывное. Система зажима с большой поверхностью контакта обеспечивает большую жесткость при силовом резании.
Червячное колесо из бронзово-никелевого сплава в сочетании с червяком из закаленной стали обеспечивают высокую точность позиционирования длительное время. Вращение в прямом и обратном направлении. Основание стола может быть изготовлено по чертежам заказчика или под конкретную модель станка.
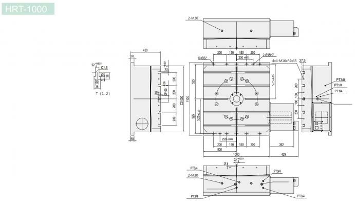
Технические характеристики HRT-1000 | ||
|---|---|---|
| Параметр | Ед. изм. | Значение |
| Размер стола | мм | 1000x1000 |
| Ширина Т-пазов | мм | 22Н7 |
| Общая высота | мм | 530 |
| Грузоподъемность | кг | 10000 |
| Усилие зажима | кгс | 10000 |
| Максимальный момент | кг*м | 300 |
| Повторяемость | с | 4" |
| Передаточное число | 1:360 | |
| Сервомотор Meldas | - | |
| Сервомотор Fanuc | a22i | |
| Сервомотор Siemens | - | |
| Сервомотор Heidenhein | - | |
- Доставка с фикс. стоимостью (бесплатно от 50 тыс.р.) 100 ₽ подробнее
- Самовывоз бесплатно подробнее
- Доставка с фикс. стоимостью 100р + 50р за каждый кг веса 105 ₽
-
СДЭК
--- ₽
выбрать на карте
-
Почта РФ
--- ₽
выбрать на карте


Отзывы к "Большой горизонтальный одноосевой поворотный стол ЧПУ HRT-1000 GSA+":
Пока нет отзывов