Электромеханический листогиб H.M.Transtech SLF 30/15
Электромеханический листогиб H.M.Transtech SLF 30/15
Приветствуем вас на странице товара - электромеханического листогиба H.M.Transtech SLF 30/15 от компании 'Невастанкомаш'! Этот инструмент обладает множеством преимуществ и отличается высоким качеством исполнения.
Особенности товара:
- Электромеханический привод
- Максимальная длина гиба: 3050 мм
- Максимальная толщина гибаемого материала: 1.5 мм
- Точность гиба до 0.1 мм
Назначение и сферы применения:
Электромеханический листогиб H.M.Transtech SLF 30/15 предназначен для гибки листового металла. Он идеально подходит для производства металлических изделий, кровельных и фасадных материалов, дверей, окон и многого другого. Этот инструмент необходим в промышленности, строительстве и машиностроении.
Преимущества товара:
- Высокая производительность
- Простота в использовании
- Надежность и долговечность
- Плавное и точное выполнение гибки
Не упустите возможность приобрести качественный электромеханический листогиб H.M.Transtech SLF 30/15 от 'Невастанкомаш'! Обратитесь к нам уже сегодня!
Электромеханический листогиб H.M.Transtech SLF 30/15 применяется для производства дверей, рекламных щитов, кондиционеров, распределительных щитов и т.д.
Возможные варианты исполнения электромеханического листогиба H.M. Transtech:
![]() | SLF - планки на всех трёх типах балок; |
![]() | SLF S - косые сегменты на прижимной балке, планка на гибочной балке на балке хранения; |
![]() | SLF SH - высокие сегменты на прижимной балке, планка на гибочной балке и на балке хранения; |
![]() | SLF 3SH - сегменты на всех трёх балках на прижимной балке сегменты высокие. |
![]() | |
![]() | |
![]() | |
![]() |
Преимущества H.M.Transtech SLF 30/15
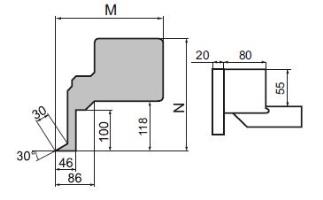
- Электромеханический листогиб H.M. Transtech SLF 30/15 с рабочей длиной 3020 мм применяется для производства простых и сложных изделий из листовой стали толщиной до 1.5 мм
- Экцентрический привод прижимной балки обеспечивает прижимную силу и максимальную скорость;
- Гибочная балка имеет систему для предварительной натяжки планки, за счёт чего достигается высокоточная фальцовка по всей длине листогиба;
- Выпускается в вариациях с планками, косыми и высокими сегментами;
- Дополнительно к листогибу можно приобрести задний упор моторический или ручной, а также систему управления;
Технические характеристики электромеханического листогиба H.M.Transtech SLF 30/15
| Рабочая длина, мм | 3020 |
| Максимальная толщина листа, 400 N/мм² | 1,5 |
| Вес, кг | 2200 |
| Мотор прижима, кВт | 0,75 |
| Мотор гибки, кВт | 1,1 |
Образцы изделий изготавливаемых на листогибочных машинах с поворотной балкой

Базовая комплектация H.M.Transtech SLF 30/15
- Нож 30° на прижимной балке
- ручная регулировка угла гиба (тип MA)
- нож на гибочной балке
- ручная регулировка прогиба на гибочной балке
- ножная педаль общей остановки
Дополнительные опции
- Ручные задние упоры MSD или MPD
- Электромеханические задние упоры с ЧПУ
- Доставка с фикс. стоимостью (бесплатно от 50 тыс.р.) 100 ₽ подробнее
- Самовывоз бесплатно подробнее
- Доставка с фикс. стоимостью 100р + 50р за каждый кг веса 105 ₽
-
СДЭК
--- ₽
выбрать на карте
-
Почта РФ
--- ₽
выбрать на карте








Отзывы к "Электромеханический листогиб H.M.Transtech SLF 30/15":
Пока нет отзывов