Электромеханический листогиб H.M.Transtech TFM 10/22
Электромеханический листогиб H.M.Transtech TFM 10/22
Преимущества:
- Высокая точность гибки листового металла
- Простота в использовании и настройке
- Надежность и долговечность
- Широкий диапазон гибких углов
Особенности:
- Электромеханическая система управления
- Мощный пресс-подъемник
- Прочная стальная конструкция
Назначение:
Электромеханический листогиб H.M.Transtech TFM 10/22 предназначен для гибки листового металла с высокой точностью и качеством.
Сферы применения:
Этот листогиб идеально подходит для использования в промышленности, строительстве, автомобильном производстве и других областях, где требуется точная и надежная гибка металла.
Электромеханический листогиб H.M.Transtech TFM 10/22 применяется для гибки широкого спектра материалов, таких как сталь, нержавеющая сталь, медь, цинк, алюминий. Электромеханический листогиб производства компании H.M. Transtech TFM 10/22 отличается компактностью, современным дизайном, цельносварной станиной. Привод с цепной передачей гарантирует эффективную передачу усилия. Станок TFM 10/22 отличается высокой износоустойчивостью и длительным сроком службы.
Номенклатура электромеханических листогибов TFM, это новая совеременная разработка. Листогибы этой серии с цельной сварной конструкцией, это гарантия высокой износоустойчивости, минимального обслуживания, оптимального исполнения и длительного срока службы. Все модели поставляются с ручным контролем угла гибки, педалью управления. Усилие прижима регулируется электрически.
Возможные варианты исполнения электромеханического листогиба H.M. Transtech:
- TFM — сплошная прижимная балка.
- TFMS — сегментная прижимная балка.
- TFMS H — высокая сегментная прижимная балка.
- TFM3S — прижимная, нижняя и гибочная балки сегментные.
![]() | TFM - сплошной инструмент на всех 3-х балках. |
![]() | TFM S - наклонные сегменты на прижимной балке, сплошной инструмент на гибочной и нижней балке. |
![]() | TFM SH - высокие сегменты на прижимной балке, сплошной инструмент на гибочной балке и на нижней балке. |
![]() | TFM 3SH - сегменты на всех 3-х балках, на прижимной балке высокие сегменты. |
![]() | |
![]() | |
![]() | |
![]() |
Преимущества H.M.Transtech TFM 10/22
- Электромеханический листогиб H.M.Transtech TFM 10/22 с рабочей длиной 1020 мм используется для гибки тонкого листового металла толщиной до 2.25 мм;
- Цельносварная жесткая конструкция обеспечивает долговечность и надежность станка;
- Электрический привод прижимной балки. Устройство ручной настройки типа "МА" для установки угла гиба. Ножная педаль для управления станком;
- Оснащен системой предварительной натяжки на гибочной балки для работы с длинными заготовками;
- Поставляется в 4-х исполнениях: TFM, TFM S, TFM SH и TFM 3SH. Для автоматизации работы дополнительно есть большое количество полезных опций.
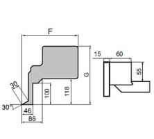
Технические характеристики электромеханического листогиба H.M.Transtech TFM 10/22
| Модель | TFM 10/22 |
| Рабочая длина, мм | 1020 |
| Максимальная толщина листа, 400 N/мм² | 2,25 |
| Вес, кг | 612 |
| Мотор прижима, кВт | 0,37 |
| Мотор гибки, кВт | 0,75 |
Базовая комплектация H.M.Transtech TFM 10/20
- Нож 30° на прижимной балке
- ручная регулировка угла гиба (тип MA)
- нож на гибочной балке
- ручная регулировка прогиба на гибочной балке
- ножная педаль общей остановки
Рекомендуем приобрести к электромеханическому листогибу серии TFM
![]() |
Управление типа "РТ-1" |
![]() |
Управление типа "NC 1A" |
- Доставка с фикс. стоимостью (бесплатно от 50 тыс.р.) 100 ₽ подробнее
- Самовывоз бесплатно подробнее
- Доставка с фикс. стоимостью 100р + 50р за каждый кг веса 105 ₽
-
СДЭК
--- ₽
выбрать на карте
-
Почта РФ
--- ₽
выбрать на карте












Отзывы к "Электромеханический листогиб H.M.Transtech TFM 10/22":
Пока нет отзывов