Одноосевой поворотный стол ЧПУ CNC-170RB GSA+ (заднее положение двигателя)
Одноосевой поворотный стол ЧПУ CNC-170RB GSA+
Одноосевой поворотный стол ЧПУ CNC-170RB GSA+ - это надежное и инновационное оборудование, которое позволит вам увеличить производительность вашего производства и улучшить качество выпускаемой продукции.
Преимущества:
- Высокая точность позиционирования
- Простота управления с помощью ЧПУ
- Долговечность и надежность
- Возможность работы в различных режимах
- Эффективное использование рабочего пространства
Особенности:
- Модель CNC-170RB GSA+ оснащена задним положением двигателя, что обеспечивает удобство и эффективность работы
- Изготовлена из высококачественных материалов, что гарантирует долгий срок службы
- Имеет компактные размеры, что позволяет экономить место на производстве
Назначение:
Одноосевой поворотный стол ЧПУ CNC-170RB GSA+ предназначен для точного позиционирования и вращения заготовок и деталей в процессе обработки на станках с ЧПУ.
Сферы применения:
Это оборудование идеально подходит для использования в металлообрабатывающей, автомобильной, аэрокосмической и других отраслях промышленности, где требуется высокая точность и качество обработки.
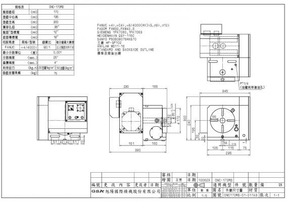
Заднее расположение двигателя обеспечивает компактность стола. Предназначены в первую очередь для малогабаритных вертикальных ОЦ и сверлильных центров.
Технические характеристики CNC-170RB GSA+ | ||
|---|---|---|
| Параметр | Ед. изм. | Значение |
| Диаметр | мм | 170 |
| Высота центров при вертикальной установке | мм | 135 |
| Общая высота при вертикальной установке | мм | 300 |
| Вес CNC-170RB нетто (без двигателя) | кг | 70 |
| Центральное отверстие | мм | 35H7 |
| Ширина Т-пазов | мм | 12H7 |
| Ширина направляющего сухаря | мм | 18H7 |
| Сервомотор Meldas | НF-104T | |
| Сервомотор Fanuc | a4i | |
| Сервомотор Siemens | 1FK7060 | |
| Сервомотор Heidenhein | QSY116C | |
| Передаточное число | 1:90 | |
| Минимальный угол | град | 0,001 |
| Максимальные обороты | об/мин | 22,2 |
| Усилие пневмозажима | кг*м | 25 |
| Усилие гидрозажима | кг*м | 50 |
| Класс точности позиционирования | 20” | |
| Повторяемость (Однонаправленный) | с | ±4” |
| Повторяемость (Двунаправленный) | с | ±8” |
| Макс. усилие резания | кг*м | 23 |
| Максимальные нагрузки | |||
|---|---|---|---|
| Параметр | Схема | Ед. изм. | Значение |
| Максимальная вертикальная нагрузка | кг | W = 100 | |
| Максимальная горизонтальная нагрузка | кг | W = 200 | |
| Максимальное радиальное усилие | кг | F = 1000 | |
| Максимальное радиальное усилие | кг*м | FxL = 50 | |
| Максимальное радиальное усилие | кг*м | FxL = 78 | |
- Доставка с фикс. стоимостью (бесплатно от 50 тыс.р.) 100 ₽ подробнее
- Самовывоз бесплатно подробнее
- Доставка с фикс. стоимостью 100р + 50р за каждый кг веса 105 ₽
-
СДЭК
--- ₽
выбрать на карте
-
Почта РФ
--- ₽
выбрать на карте


Отзывы к "Одноосевой поворотный стол ЧПУ CNC-170RB GSA+ (заднее положение двигателя)":
Пока нет отзывов