Одноосевой поворотный стол ЧПУ CNC-500R GSA+
Промышленное оборудование от 'Невастанкомаш'
Одноосевой поворотный стол ЧПУ CNC-500R GSA+
Мы представляем Вашему вниманию одноосевой поворотный стол ЧПУ CNC-500R GSA+ от компании 'Невастанкомаш'. Это надежное и высокоточное оборудование, которое подойдет для широкого спектра промышленных задач.
Преимущества данного товара:
- Высокая точность и плавность работы
- Простое управление с помощью ЧПУ
- Надежная конструкция для длительного срока службы
- Многофункциональность и универсальность в применении
Особенности одноосевого поворотного стола ЧПУ CNC-500R GSA+:
- Диаметр стола - 500 мм
- Нагрузка на стол - до 500 кг
- Точность позиционирования - 0.01 мм
- Скорость вращения - до 60 об/мин
Назначение и сферы применения:
Данный поворотный стол идеально подходит для обработки различных деталей на станках с ЧПУ. Он может использоваться в таких отраслях, как машиностроение, авиационная промышленность, металлообработка и другие.
Не упустите возможность приобрести качественное оборудование для вашего производства! Закажите одноосевой поворотный стол ЧПУ CNC-500R GSA+ прямо сейчас!
Комбинация высокоточного червячного колеса из бронзо-никелевого сплава и стального закаленного червяка обеспечивают длительное сохранение точности позиционирования.
Многоточечная пневматическая или гидравлическая тормозная система обеспечивает превосходное усилие зажима, исключающее вибрацию при силовом резании.
Универсальный интерфейс, позволяющий проводить как контурную обработку с применением 4-й оси, так и индексирование по М-кодам при позиционной обработке.
Увеличенное отверстие в шпинделе позволяет закреплять трубные заготовки. Поворотные столы данного типа широко применяются на вертикальных обрабатывающих центрах и фрезерных станках. Двигатель может быть установлен как с правой, так и с левой стороны.
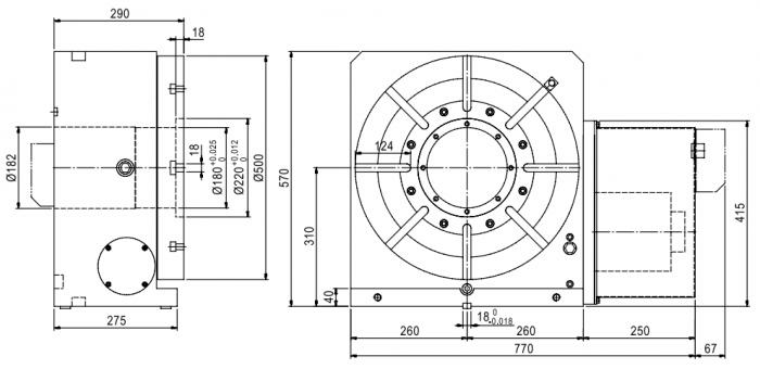
Технические характеристики CNC-500R GSA+ | ||
|---|---|---|
| Параметр | Ед. изм. | Значение |
| Диаметр | мм | 500 |
| Высота центров при вертикальной установке | мм | 310 |
| Высота стола при горизонтальной установке | мм | 290 |
| Общая высота при вертикальной установке | мм | 570 |
| Вес CNC-500R нетто (без двигателя) | кг | 380 |
| Центральное отверстие | мм | 180Н7 |
| Ширина Т-пазов | мм | 18Н7 |
| Ширина направляющего сухаря | мм | 18Н7 |
| Сервомотор Meldas | HF-204S / HF-354S | |
| Сервомотор Fanuc | a12i/a22i | |
| Сервомотор Siemens | 1FK7083 / 1FK7101 | |
| Сервомотор Heidenhein | QSY155B / QSY155D | |
| Передаточное число | 1:120 | |
| Минимальный угол | град | 0,001 |
| Максимальные обороты | об/мин | 16,7 |
| Усилие пневмозажима | кг*м | 125 |
| Усилие гидрозажима | кг*м | 250 |
| Класс точности позиционирования | 15” | |
| Повторяемость (Однонаправленный) | с | ±4” |
| Повторяемость (Двунаправленный) | с | ±8” |
| Макс. усилие резания | кг*м | 230 |
| Максимальные нагрузки | |||
|---|---|---|---|
| Параметр | Схема | Ед. изм. | Значение |
| Максимальная вертикальная нагрузка | кг | W = 350 | |
| Максимальная горизонтальная нагрузка | кг | W = 600 | |
| Максимальное радиальное усилие | кг | F = 4000 | |
| Максимальное радиальное усилие | кг*м | FxL = 380 | |
| Максимальное радиальное усилие | кг*м | FxL = 350 | |
- Доставка с фикс. стоимостью (бесплатно от 50 тыс.р.) 100 ₽ подробнее
- Самовывоз бесплатно подробнее
- Доставка с фикс. стоимостью 100р + 50р за каждый кг веса 105 ₽
-
СДЭК
--- ₽
выбрать на карте
-
Почта РФ
--- ₽
выбрать на карте


Отзывы к "Одноосевой поворотный стол ЧПУ CNC-500R GSA+":
Пока нет отзывов