Профильно-шлифовальный станок Смарт-250-4/202
Профильно-шлифовальный станок Смарт-250-4/202
Описание товара
Профильно-шлифовальный станок Смарт-250-4/202 - это высокоточное оборудование, предназначенное для точной обработки поверхностей различных материалов. Он отличается надежностью, высокой производительностью и простотой в использовании.
Преимущества
- Высокая точность обработки
- Высокая производительность
- Простота в использовании
- Долгий срок службы
Особенности
- Мощность: 250 Вт
- Число оборотов: 4000 об/мин
- Размеры стола: 200x400 мм
- Вес: 20 кг
Назначение
Профильно-шлифовальный станок Смарт-250-4/202 идеально подходит для обработки деталей из металла, пластика и дерева. Он используется в производстве мебели, станкостроении, машиностроении и других отраслях промышленности.
Сферы применения
- Производство мебели
- Станкостроение
- Машиностроение
- Производство деталей
Закажите профильно-шлифовальный станок Смарт-250-4/202 прямо сейчас и убедитесь в его качестве и надежности!
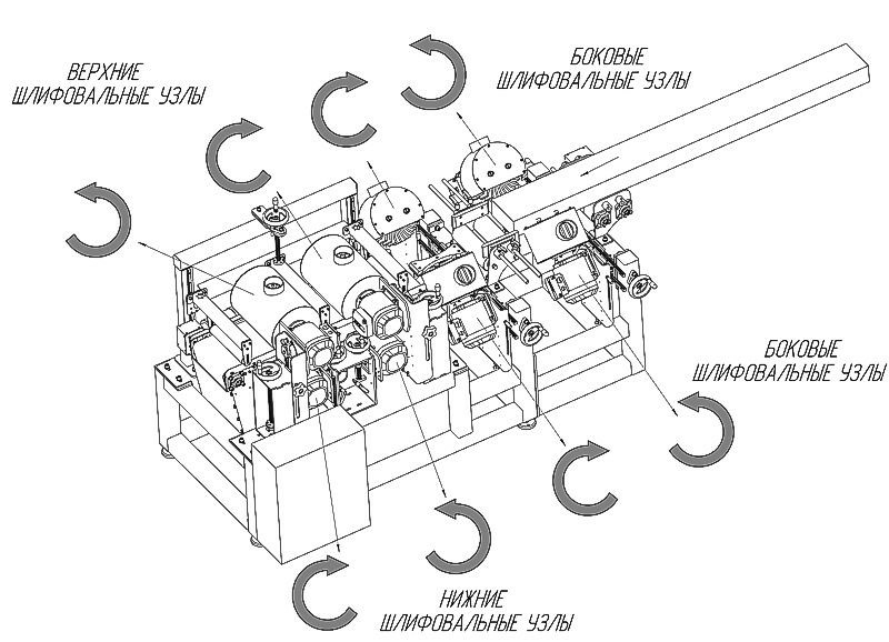
Шлифовальный станок Смарт-250-4/202. Шлифование 1, 2 или 3 стороны.
Станок лепесткового шлифования применяется для подготовки плоских, профильных и рельефных погонажных изделий к окрашиванию, а также промежуточного шлифования после окраски и грунтования перед отделкой.
Станок является универсальным при шлифовании профильных изделий из любых материалов: натуральный массив, шпон, МДФ, ДВП, ДСП, пластик. При установке специального инструмента и увеличенной мощности двигателей может использоваться для искусственного старения древесины.
Технические характеристики шлифовального станка Смарт -250-4/112, 250-4/202,250-4/220
| Наименование модели | Смарт-250-4/112 | Смарт-250-4/202 | Смарт-250-4/220 |
|---|---|---|---|
| Количество верхних шлифовальных барабанов, шт | 1 | 2 | 2 |
| Количество нижних шлифовальных барабанов, шт | 1 | 0 | 2 |
| Количество боковых шлифовальных барабанов, шт | 2 | 2 | 0 |
| Ширина обрабатываемых деталей,не более, мм | 10 ... 250 | ||
| Длина обрабатываемых деталей, наименьшая, с нижними узлами / без нижних узлов, мм | 800 / 460 | ||
| Толщина обрабатываемых деталей, не более, мм | 100 | ||
| Диаметр шлифовального инструмента, мм | 250 | ||
| Мощность двигателей шлифовальных агрегатов, кВт | 1,1 | ||
| Мощность двигателя подачи, кВт | 0,55 | ||
| Число оборотов шпинделей, об/мин | 300...1400 | ||
| Скорость подачи, м/мин | 8...40 | ||
| Диаметр патрубков верхних шлифовальных агрегатов, мм | 95 | ||
| Диаметр патрубков боковых шлифовальных агрегатов, мм | 95 | ||
| Напряжение питания, В | 380 | ||
Применение станка Смарт-250 в технологической линии позволяет уменьшить количество ручных операций перед и после процесса окрашивания, получить независимость от человеческого фактора.
Таким образом предприятие имеет возможность увеличить свою производительность и получить дополнительный положительный экономический эффект за счет экономии расходов на оплату труда, а также снизить себестоимость изделий или получить дополнительную прибыль за счет сокращения времени подготовительных операций перед и после нанесения лакокрасочного материала.
Цельносварная станина.
Массивная цельносварная станина. На станине крепятся регулируемые по высоте и углу наклона шлифовальные суппорты с электродвигателями.
Единый привод подачи заготовки.
Осуществляется ленточным конвейером, который приводится в движение одним приводом. Частотная регулировка скорости подачи шлифуемых заготовок производится с интегрированного в электрический шкаф пульта управления. Входной канал формируют переставляемые ограничители.
2х, 3х или 4х стороннее шлифование.
Сверху заготовки шлифование производится шлифовальными барабанами, имеющими возможность изменять угол шлифования -15/+15* (45*-сервисное положение для замены инструмента).
Вторая пара шлифовальных барабанов имеет возможность наклоняться и производить шлифовку боковых кромок изделия.
Снизу заготовки шлифование производится шлифовальными барабанами без регулировки угла, но регулируемыми по высоте.
Плавная регулировка скорости подачи.
Шлифование изделий может производиться со скоростью 8-40 м/мин. В станке реализована плавная регулировка скорости подачи.
Оперативная регулировка высоты и угла наклона шлифовальных барабанов.
Положение шлифовальных барабанов легко регулируется ходовыми винтами на шлифовальных суппортах.
Угол наклона боковых шлифовальных агрегатов -15/+45 градусов (боковые), 15/+15* (45*- сервисное положение), горизонтальные.
Плавная регулировка оборотов шлифовальных кругов.
Число оборотов шлифовальных шпинделей плавно регулируется инвертором до 1400 об/мин.
Обеспыливающий суппорт (в зависимости от конфигурации).
Для дополнительной очистки заготовок от шлифовальной пыли может быть установлен суппорт с очищающим барабаном из полимерного ворса или конского волоса, который поднимает остатки шлифовальный пыли для удаления через систему аспирации.
Система дополнительного обдува (опция).
Для еще лучшей очистки заготовки от шлифовальной пыли может быть установлен дополнительный обдув заготовки на выходе из станка.
Подача воздуха в систему обдува обеспечивает специальный компрессор, входящий в состав станка.
Антистатические линейки на шлифовальных кожухах (опция).
Для снятия электростатического напряжения на заготовках и предотвращения налипания шлифовальной пыли на кожухах шлифовальных барабанов устанавливается антистатическая линейка.
Универсальный лепестковый шлифовальный инструмент.
В станок могут устанавливаться модульные лепестковые шлифовальные круги любой зернистости, для грубого или более мягкого шлифования, в зависимости от поставленных задач и обрабатываемого материала.
Замена шлифовального барабана происходит очень оперативно.
Использование станка для искусственного старения древесины.
При установке в станок специального инструмента (металлических щеток) и увеличении мощности приводов его можно использовать для искусственного старения древесины.
- Доставка с фикс. стоимостью (бесплатно от 50 тыс.р.) 100 ₽ подробнее
- Самовывоз бесплатно подробнее
- Доставка с фикс. стоимостью 100р + 50р за каждый кг веса 105 ₽
-
СДЭК
--- ₽
выбрать на карте
-
Почта РФ
--- ₽
выбрать на карте

Отзывы к "Профильно-шлифовальный станок Смарт-250-4/202":
Пока нет отзывов