Профильно-шлифовальный станок Смарт-250-8/224
Профильно-шлифовальный станок Смарт-250-8/224
Преимущества профильно-шлифовального станка Смарт-250-8/224:
- Высокая производительность
- Высокая точность обработки
- Простота использования
- Надежность и долговечность
- Широкий спектр настраиваемых функций
Особенности профильно-шлифовального станка Смарт-250-8/224:
- Мощность: 8 кВт
- Диаметр шлифовального круга: 224 мм
- Рабочая поверхность: 250 мм
- Цифровое управление процессом шлифования
- Автоматическая система обнаружения и исправления дефектов
Назначение профильно-шлифовального станка Смарт-250-8/224:
Профильно-шлифовальный станок Смарт-250-8/224 предназначен для высокоточной обработки поверхностей различных материалов, таких как металл, пластик, стекло и другие. Идеально подходит для производства запчастей, инструментов, элементов механизмов и других изделий.
Сферы применения профильно-шлифовального станка Смарт-250-8/224:
- Машиностроение
- Авиастроение
- Автомобильная промышленность
- Электроника
- Мебельное производство
Не упустите возможность приобрести профильно-шлифовальный станок Смарт-250-8/224 от компании 'Невастанкомаш' и повысить эффективность производства на вашем предприятии.
Станок лепесткового шлифования применяется для подготовки плоских, профильных и рельефных погонажных изделий к окрашиванию, а также промежуточного шлифования после окраски и грунтования перед отделкой.
Станок является универсальным при шлифовании профильных изделий из любых материалов: натуральный массив, шпон, МДФ, ДВП, ДСП, пластик. При установке специального инструмента и увеличенной мощности двигателей может использоваться для искусственного старения древесины.
Применение станка Смарт-250 в технологической линии позволяет уменьшить количество ручных операций перед и после процесса окрашивания, получить независимость от человеческого фактора.
Таким образом предприятие имеет возможность увеличить свою производительность и получить дополнительный положительный экономический эффект за счет экономии расходов на оплату труда, а также снизить себестоимость изделий или получить дополнительную прибыль за счет сокращения времени подготовительных операций перед и после нанесения лакокрасочного материала.
Преимущества Смарт-250-8/224
- Цельносварная станина.
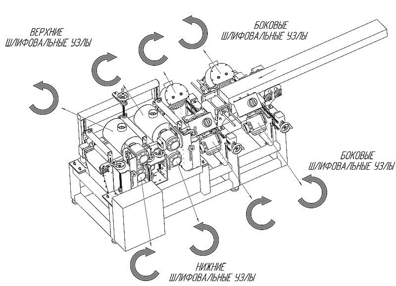
Массивная цельносварная станина. На станине крепятся регулируемые по высоте и углу наклона шлифовальные суппорты с электродвигателями. - Единый привод подачи заготовки.
Осуществляется ленточным конвейером, который приводится в движение одним приводом. Частотная регулировка скорости подачи шлифуемых заготовок производится с интегрированного в электрический шкаф пульта управления. Входной канал формируют переставляемые ограничители. - 2х, 3х или 4х стороннее шлифование.
Сверху заготовки шлифование производится шлифовальными барабанами, имеющими возможность изменять угол шлифования -15/+15* (45*-сервисное положение для замены инструмента).
Вторая пара шлифовальных барабанов имеет возможность наклоняться и производить шлифовку боковых кромок изделия.
Снизу заготовки шлифование производится шлифовальными барабанами без регулировки угла, но регулируемыми по высоте. - Плавная регулировка скорости подачи.
Шлифование изделий может производиться со скоростью 8-40 м/мин. В станке реализована плавная регулировка скорости подачи. - Оперативная регулировка высоты и угла наклона шлифовальных барабанов.
Положение шлифовальных барабанов легко регулируется ходовыми винтами на шлифовальных суппортах.
Угол наклона боковых шлифовальных агрегатов -15/+45 градусов (боковые), 15/+15* (45*- сервисное положение), горизонтальные. - Плавная регулировка оборотов шлифовальных кругов.
Число оборотов шлифовальных шпинделей плавно регулируется инвертором до 1400 об/мин. - Обеспыливающий суппорт (в зависимости от конфигурации).
Для дополнительной очистки заготовок от шлифовальной пыли может быть установлен суппорт с очищающим барабаном из полимерного ворса или конского волоса, который поднимает остатки шлифовальный пыли для удаления через систему аспирации. - Система дополнительного обдува (опция).
Для еще лучшей очистки заготовки от шлифовальной пыли может быть установлен дополнительный обдув заготовки на выходе из станка.
Подача воздуха в систему обдува обеспечивает специальный компрессор, входящий в состав станка. - Антистатические линейки на шлифовальных кожухах (опция).
Для снятия электростатического напряжения на заготовках и предотвращения налипания шлифовальной пыли на кожухах шлифовальных барабанов устанавливается антистатическая линейка. - Универсальный лепестковый шлифовальный инструмент.
В станок могут устанавливаться модульные лепестковые шлифовальные круги любой зернистости, для грубого или более мягкого шлифования, в зависимости от поставленных задач и обрабатываемого материала.
Замена шлифовального барабана происходит очень оперативно. - Использование станка для искусственного старения древесины.
При установке в станок специального инструмента (металлических щеток) и увеличении мощности приводов его можно использовать для искусственного старения древесины
Технические характеристики
| Наименование модели | Смарт-250-8/224 |
|---|---|
| Количество верхних шлифовальных барабанов, шт | 2 |
| Количество нижних шлифовальных барабанов, шт | 2 |
| Количество боковых шлифовальных барабанов, шт | 4 |
| Ширина обрабатываемых деталей,не более, мм | 10 ... 250 |
| Длина обрабатываемых деталей, наименьшая, с нижними узлами / без нижних узлов, мм | 800 / 460 |
| Толщина обрабатываемых деталей, не более, мм | 100 |
| Диаметр шлифовального инструмента, мм | 250 |
| Мощность двигателей шлифовальных агрегатов, кВт | 1,1 |
| Мощность двигателя подачи, кВт | 0,55 |
| Число оборотов шпинделей, об/мин | 300...1400 |
| Скорость подачи, м/мин | 8...40 |
| Диаметр патрубков верхних шлифовальных агрегатов, мм | 95 |
| Диаметр патрубков боковых шлифовальных агрегатов, мм | 95 |
| Напряжение питания, В | 380 |
ВАРИАНТЫ МОДИФИКАЦИИ ШЛИФОВАЛЬНОГО СТАНКА СМАРТ-250
| Наименование модели | Количество верхних щеток | Количество нижних щеток | Количество боковых щеток | Внешний вид станка |
|---|---|---|---|---|
| Смарт-250/2-200 | 2 | 0 | 0 | ![]() |
| Смарт-250/2-110 | 1 | 1 | 0 | |
| Смарт-250/3-102 | 1 | 0 | 3 | |
| Смарт-250/4-112 | 1 | 1 | 2 | |
| Смарт-250/4-202 | 2 | 0 | 2 | ![]() |
| Смарт-250/4-220 | 2 | 2 | 0 | |
| Смарт-250/5-302 | 3 | 0 | 2 | |
| Смарт-250/6-204 | 2 | 0 | 4 | |
| Смарт-250/6-222 | 2 | 2 | 2 | ![]() |
| Смарт-250/6-114 | 1 | 1 | 4 | |
| Смарт-250/8-224 | 2 | 2 | 4 | ![]() |
- Доставка с фикс. стоимостью (бесплатно от 50 тыс.р.) 100 ₽ подробнее
- Самовывоз бесплатно подробнее
- Доставка с фикс. стоимостью 100р + 50р за каждый кг веса 105 ₽
-
СДЭК
--- ₽
выбрать на карте
-
Почта РФ
--- ₽
выбрать на карте





Отзывы к "Профильно-шлифовальный станок Смарт-250-8/224":
Пока нет отзывов