Двухосевой поворотный стол с наклоном от ЧПУ CNCT-250 GSA+
Преимущества товара:
- Высокая точность и надежность работы
- Простая настройка и управление через ЧПУ
- Широкий диапазон углов наклона для разнообразных задач
- Долгий срок службы и гарантированное качество
Особенности товара:
- Двухосевой поворотный стол с наклоном
- Управление через ЧПУ CNCT-250 GSA+
- Рабочая поверхность с высоким коэффициентом трения
- Мощный двигатель для плавного и точного вращения
Назначение товара:
Двухосевой поворотный стол с наклоном от ЧПУ CNCT-250 GSA+ предназначен для использования в промышленных производствах для обработки различных деталей и заготовок. Он обеспечивает высокую точность и эффективность работы, что делает его незаменимым оборудованием для механической обработки.
Сферы применения товара:
- Металлообработка
- Автомобильная промышленность
- Авиационная отрасль
- Строительство
Компактный дизайн позволяет устанавливать на станки с длиной стола от 1 м. Простая установка на традиционные 3-осевые станки. С помощью 1-осевого контроллера GSA+, подключаемого к системе ЧПУ через М-коды для программируемого наклона стола, можно производить 5-осевую обработку без изменения конструкции станка и его электрооборудования.
По требованию заказчика стол может быть оснащен как гидравлическим, так и пневматическим зажимным устройством. Для повышения точности позиционирования может быть установлен фотоэлектрический датчик.
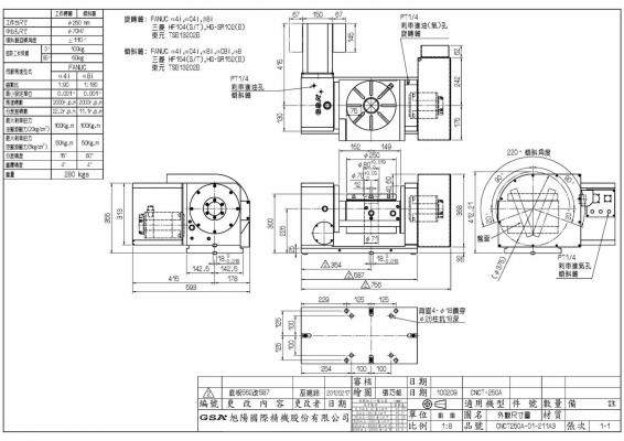
Технические характеристики CNCT-250 | ||
|---|---|---|
| Параметр | Ед. изм. | Значение |
| Диаметр | мм | 250 |
| Высота центра | мм | 225 |
| Общая высота | мм | 355 |
| Вес CNCT-250 нетто (без двигателя) | кг | 280 |
| Центральное отверстие | мм | 70Н7 |
| Ширина Т-пазов | мм | 12Н7 |
| Ширина направляющего сухаря | мм | 18Н7 |
| Поворот и наклон | |||
|---|---|---|---|
| Параметр | Ед. изм. | Поворот | Наклон |
| Сервомотор Meldas | НF-104T | НF-154T | |
| Сервомотор Fanuc | a4i | a8i | |
| Сервомотор Siemens | 1FK7060 | 1FK7063 | |
| Сервомотор Heidenhein | QSY116C | QSY116E | |
| Передаточное число | 1:90 | 1:180 | |
| Угол наклона | град | -110…110 | -110…110 |
| Минимальный угол | град | 0,001 | 0,001 |
| Максимальные обороты | об/мин | 22.2 | 11.1 |
| Усилие пневмозажима | кг*м | 50 | 50 |
| Усилие гидрозажима | кг*м | 100 | 120 |
| Точность позиционирования | 15” | 30” | |
| Повторяемость | с | ±4” | |
| Максимальные нагрузки | |||
|---|---|---|---|
| Параметр | Схема | Ед. изм. | Значение |
| Максимальная вертикальная нагрузка | кг | W = 60 | |
| Максимальная горизонтальная нагрузка | кг | W = 100 | |
| Максимальное радиальное усилие | кг | F = 1200 | |
| Максимальное радиальное усилие | кг*м | FxL = 100 | |
| Максимальное радиальное усилие | кг*м | FxL = 120 | |
| Максимальная рабочая инерция | кг*см*сек2 | 8 | |
- Доставка с фикс. стоимостью (бесплатно от 50 тыс.р.) 100 ₽ подробнее
- Самовывоз бесплатно подробнее
- Доставка с фикс. стоимостью 100р + 50р за каждый кг веса 105 ₽
-
СДЭК
--- ₽
выбрать на карте
-
Почта РФ
--- ₽
выбрать на карте


Отзывы к "Двухосевой поворотный стол с наклоном от ЧПУ CNCT-250 GSA+":
Пока нет отзывов