Двухосевой поворотный стол с ручным наклоном CNCMT-320 GSA+
Двухосевой поворотный стол с ручным наклоном CNCMT-320 GSA+
Двухосевой поворотный стол с ручным наклоном CNCMT-320 GSA+ от компании 'Невастанкомаш' - это надежное и эффективное оборудование для промышленных предприятий. Он обеспечивает высокую точность и надежность при выполнении различных операций.
Преимущества товара:
- Высокая точность и надежность
- Ручной наклон для удобства работы
- Простота в использовании
- Долговечность и надежность
Особенности товара:
- Двухосевой поворотный стол
- Ручной наклон для удобства работы оператора
- Модель CNCMT-320 GSA+
Назначение товара:
Двухосевой поворотный стол CNCMT-320 GSA+ предназначен для выполнения различных операций на промышленных предприятиях. Он идеально подходит для настройки и обслуживания промышленного оборудования.
Сферы применения:
- Машиностроение
- Авиационная промышленность
- Автомобильная отрасль
- Производство электроники
Простая установка на традиционные 3-осевые фрезерные, координатно-расточные и резьбонарезные станки. Возможна установка на электроэрозионные станки.
Хорошо подходят для обработки автомобильных и мотоциклетных колесных дисков. Ось ручного наклона оборудована шкалой с ценой деления 1 градус.
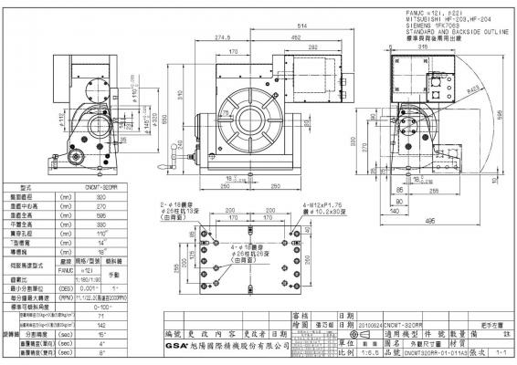
Технические характеристики CNCMT-320 | ||
|---|---|---|
| Параметр | Ед. изм. | Значение |
| Диаметр | мм | 320 |
| Высота стола в горизонтальном положении | мм | 330 |
| Высота центра стола в вертикальном положении | мм | 270 |
| Общая высота | мм | 595 |
| Вес CNCMT-320 нетто (без двигателя) | кг | 310 |
| Центральное отверстие | мм | 110Н7 |
| Ширина Т-пазов | мм | 14Н7 |
| Ширина направляющего сухаря | мм | 18Н7 |
| Поворот и наклон | |||
|---|---|---|---|
| Параметр | Ед. изм. | Поворот | Наклон |
| Сервомотор Meldas | НF-204S | Ручной | |
| Сервомотор Fanuc | a12i | Ручной | |
| Сервомотор Siemens | 1FK7083 | Ручной | |
| Сервомотор Heidenhein | QSY155B | Ручной | |
| Передаточное число | 1:180/1:90 | - | |
| Минимальный угол | град | 0,001 | 1 |
| Угол наклона | град | 0…100 | 0…100 |
| Максимальные обороты | об/мин | 11.1/22.2 | - |
| Усилие пневмозажима | кг*м | 71 | - |
| Усилие гидрозажима | кг*м | 142 | - |
| Точность позиционирования | 15” | - | |
| Повторяемость (Однонаправленный) | с | 4” | - |
| Повторяемость (Двунаправленный) | с | 8” | - |
| Максимальные нагрузки | |||
|---|---|---|---|
| Параметр | Схема | Ед. изм. | Значение |
| Максимальная вертикальная нагрузка | кг | W = 150 | |
| Максимальная горизонтальная нагрузка | кг | W = 350 | |
| Максимальное радиальное усилие | кг | F = 1375 | |
| Максимальное радиальное усилие | кг*м | FxL = 142 | |
| Максимальное радиальное усилие | кг*м | FxL = 115 | |
- Доставка с фикс. стоимостью (бесплатно от 50 тыс.р.) 100 ₽ подробнее
- Самовывоз бесплатно подробнее
- Доставка с фикс. стоимостью 100р + 50р за каждый кг веса 105 ₽
-
СДЭК
--- ₽
выбрать на карте
-
Почта РФ
--- ₽
выбрать на карте


Отзывы к "Двухосевой поворотный стол с ручным наклоном CNCMT-320 GSA+":
Пока нет отзывов