Двухосевой поворотный стол с ручным наклоном CNCMT-400 GSA+
Двухосевой поворотный стол с ручным наклоном CNCMT-400 GSA+
Описание товара
Двухосевой поворотный стол с ручным наклоном CNCMT-400 GSA+ - это надежное и функциональное оборудование, которое позволит вам эффективно осуществлять обработку деталей на станках с ЧПУ. Благодаря своим характеристикам и возможностям, этот поворотный стол станет незаменимым помощником на производстве.
Преимущества товара
- Высокая точность позиционирования
- Простота в использовании
- Надежность и долговечность
- Удобное управление с помощью ЧПУ
- Возможность регулировки угла наклона вручную
- Широкий диапазон сфер применения
Особенности товара
- Двухосевой поворотный стол
- Ручной наклон
- Совместимость с системой ЧПУ
- Максимальная нагрузка до 400 кг
- Высокая точность позиционирования
Назначение товара
Двухосевой поворотный стол с ручным наклоном CNCMT-400 GSA+ предназначен для точной и эффективной обработки деталей на станках с ЧПУ. Он идеально подходит для производственных предприятий, занимающихся металлообработкой, фрезерованием и другими видами обработки материалов.
Сферы применения
- Машиностроение
- Авиационная промышленность
- Автомобильная промышленность
- Электроника
- Изготовление прецизионных деталей
Простая установка на традиционные 3-осевые фрезерные, координатно-расточные и резьбонарезные станки. Возможна установка на электроэрозионные станки.
Хорошо подходят для обработки автомобильных и мотоциклетных колесных дисков. Ось ручного наклона оборудована шкалой с ценой деления 1 градус.
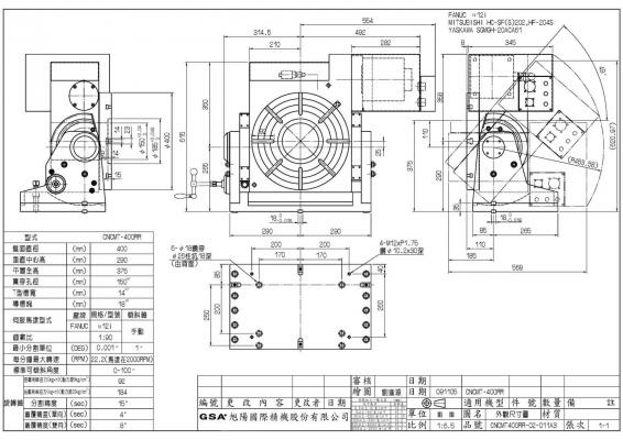
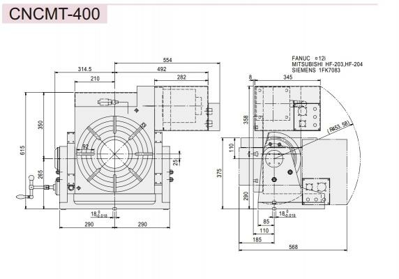
Технические характеристики CNCMT-400 | ||
|---|---|---|
| Параметр | Ед. изм. | Значение |
| Диаметр | мм | 400 |
| Высота стола в горизонтальном положении | мм | 375 |
| Высота центра стола в вертикальном положении | мм | 290 |
| Общая высота | мм | 648 |
| Вес CNCMT-400 нетто (без двигателя) | кг | 380 |
| Центральное отверстие | мм | 150Н7 |
| Ширина Т-пазов | мм | 14Н7 |
| Ширина направляющего сухаря | мм | 18Н7 |
| Поворот и наклон | |||
|---|---|---|---|
| Параметр | Ед. изм. | Поворот | Наклон |
| Сервомотор Meldas | HF-204S | Ручной | |
| Сервомотор Fanuc | a12i | Ручной | |
| Сервомотор Siemens | 1FK7083 | Ручной | |
| Сервомотор Heidenhein | QSY155B | Ручной | |
| Передаточное число | 1:90 | - | |
| Минимальный угол | град | 0,001 | 1 |
| Угол наклона | град | 0…100 | 0…100 |
| Максимальные обороты | об/мин | 22,2 | - |
| Усилие пневмозажима | кг*м | 92 | - |
| Усилие гидрозажима | кг*м | 184 | - |
| Точность позиционирования | 15” | - | |
| Повторяемость (Однонаправленный) | с | 4” | - |
| Повторяемость (Двунаправленный) | с | 8” | - |
| Максимальные нагрузки | |||
|---|---|---|---|
| Параметр | Схема | Ед. изм. | Значение |
| Максимальная вертикальная нагрузка | кг | W = 300 | |
| Максимальная горизонтальная нагрузка | кг | W = 500 | |
| Максимальное радиальное усилие | кг | F = 1585 | |
| Максимальное радиальное усилие | кг*м | FxL = 184 | |
| Максимальное радиальное усилие | кг*м | FxL = 180 | |
- Доставка с фикс. стоимостью (бесплатно от 50 тыс.р.) 100 ₽ подробнее
- Самовывоз бесплатно подробнее
- Доставка с фикс. стоимостью 100р + 50р за каждый кг веса 105 ₽
-
СДЭК
--- ₽
выбрать на карте
-
Почта РФ
--- ₽
выбрать на карте


Отзывы к "Двухосевой поворотный стол с ручным наклоном CNCMT-400 GSA+":
Пока нет отзывов