Фрезерный стол BELMASH RT650L (S257A)
Преимущества фрезерного стола BELMASH RT650L
- Надежное и качественное оборудование
- Простая настройка и использование
- Долгий срок службы
- Гарантийное обслуживание
Особенности фрезерного стола BELMASH RT650L
- Мощность: 650 Вт
- Рабочая площадь: 600x400 мм
- Регулируемая скорость вращения
- Высокая точность обработки
Фрезерный стол BELMASH RT650L отлично подойдет для использования в различных сферах, включая производство мебели, изготовление деталей из дерева, пластика и металла, а также для моделирования и прототипирования.
Приобретите фрезерный стол BELMASH RT650L уже сегодня и убедитесь в его высоком качестве и надежности!
Фрезерный стол BELMASH RT650L предназначен для работы с ручным фрезером или фрезерным двигателем.
Изделие представляет собой основной стол, который устанавливается на две стальные опоры (листовая сталь). По бокам с помощью специальных боковых кронштейнов крепятся два дополнительные столы. Основание занимает площадку 530?345 мм. На нижней части стальных опор установлены четыре виброгасящие ножки.
Рабочая поверхность составная - 1150?400 мм. Основной стол из чугуна. По бокам от него крепятся два удлинения по 250 мм из листовой стали. Имеются отверстия под установку упора и пластин. В центральной части есть две шкалы для точного позиционирования положения упора. Параллельный упор может располагаться как справа, так и слева от режущего инструмента. Его ход составляет 0-40 мм и 0-30 мм. Имеется два отверстия для регулировки высоты вылета фрезы: первое - общего плана под пластину №1, второе - под пластину для лифта BELMASH D033A. Основной и дополнительные столы имеют паз под установку углового упора (-60...+60 град.).
Упор имеет основание, изготовленное из высокоточного алюминиевого профиля. Оснащен двумя раздвижными накладками из МДФ размером 290?63 мм каждая (Д?В), фиксирующиеся гайками-барашками. Ход накладки составляет 52 мм. Общая высота упора - 80 мм. Длина упора с максимально разведенными в обе стороны щечками - 705 мм. На верхней части упора имеется два специальных паза под установку защитного экрана и прижимов (в комплект поставки не входят). Сзади размещен патрубок для отведения отходов резания (диаметр 63,5 мм), положение патрубка можно регулировать.
Преимущества
- Фрезерный стол совместим с оборудованием большинства производителей, благодаря трем монтажным пластинам, входящим в комплект поставки.
- Токовый предохранитель защищает от перегрузок и замыканий сети.
- Установленный магнитный пускатель не даст оборудованию самостоятельно включится после незапланированного отключения электроэнергии.
- Рабочий стол из чугунного литья, благодаря этому снижается вибрация и как следствие увеличивается качество обработки.
- Дополнительные боковые расширения стола из листовой стали увеличивают рабочую поверхность до 1150 мм в длину.
- Высота стола составляет 450 мм, что позволяет установить фрезерный лифт BELMASH D033A. Для монтажа лифта нужно снять с него предустановленную пластину.
Комплектуется тремя установочными пластинами:
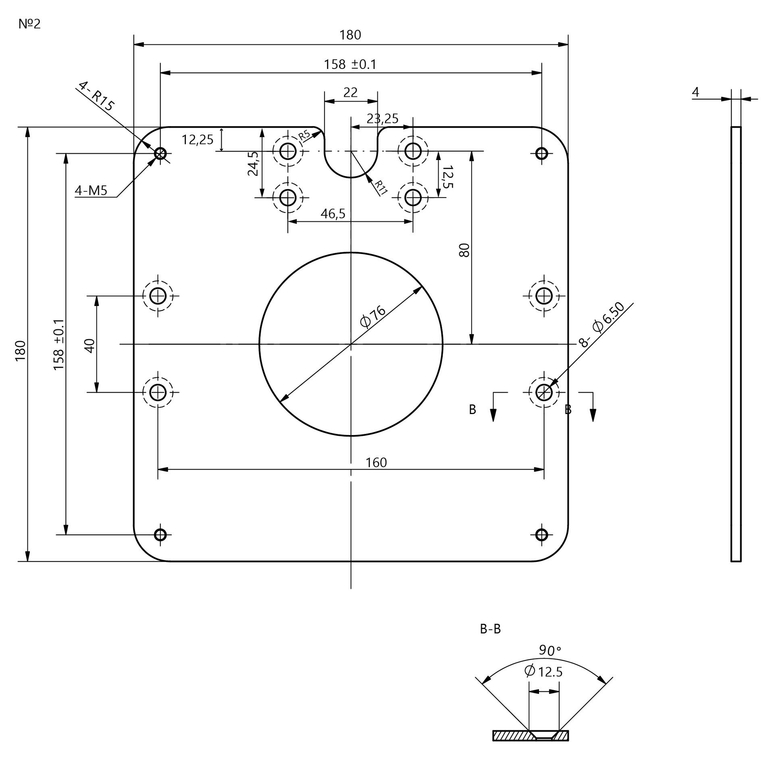
Пластина №1 (универсальная) - для установки различных фрезеров с четырьмя винтами фиксации (имеет четыре диагонально расположенных овальных отверстия).
Пластина №2 - для лифта фрезерного BELMASH D033A.
Пластина №3 (без установочных отверстий) - для самостоятельного сверления отверстий по индивидуальным характеристикам вашего оборудования.
Фрезерный стол BELMASH RT650L технические характеристики
| Масса нетто, кг | 33 |
| Масса брутто, кг | 35 |
| Размер упаковки (ДхШхВ), мм | 710?455?255 |
| Гарантийный срок, мес. | 24 |
| Размер рабочего стола, ДхШхТ, мм | 650?400?34 |
| Размер пластины установочной, мм | 180?180 |
- Доставка с фикс. стоимостью (бесплатно от 50 тыс.р.) 100 ₽ подробнее
- Самовывоз бесплатно подробнее
- Доставка с фикс. стоимостью 100р + 50р за каждый кг веса 105 ₽
-
СДЭК
--- ₽
выбрать на карте
-
Почта РФ
--- ₽
выбрать на карте


Отзывы к "Фрезерный стол BELMASH RT650L (S257A)":
Пока нет отзывов