Головка делительная полууниверсальная BS-2
Головка делительная полууниверсальная BS-2
Описание товара
Головка делительная полууниверсальная BS-2 - незаменимый элемент промышленного оборудования, который позволяет точно разделить заготовку на равные части. Этот инструмент обеспечивает высокую точность и эффективность работы, что делает его незаменимым в производственных процессах.
Преимущества головки делительной BS-2
- Высокая точность разделения заготовки
- Прочное и надежное исполнение
- Универсальная конструкция, подходящая для различных типов оборудования
- Простота в использовании и обслуживании
Назначение и сферы применения
Головка делительная полууниверсальная BS-2 предназначена для использования в производственных предприятиях, где необходимо точное деление заготовок на равные части. Этот инструмент находит применение в различных отраслях промышленности, таких как металлообработка, деревообработка, пищевая промышленность и другие.
Не откладывайте приобретение головки делительной BS-2 на потом! Обеспечьте своему производству высокую точность и эффективность работы прямо сейчас!
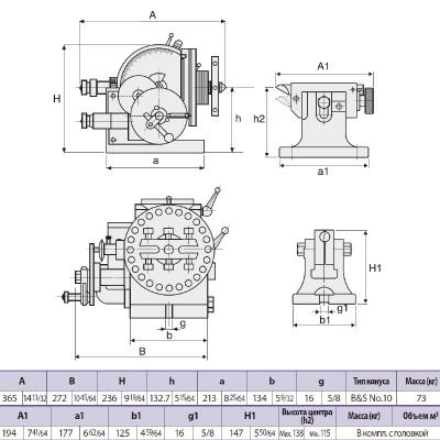
Головка делительная полууниверсальная BS-2 используется для поворота деталей и заготовок. Универсальная делительная головка разработана для всех видов деления. Благодаря высокоточному изготовлению деление возможно еще с большей точностью чем раньше. Центр выполнен с возможностью наклона для операций под углом. Передаточное отношение червячной передачи 40:1.
- Диск A: 15, 16, 17, 18, 19, 20
- Диск B: 21, 23, 27, 29, 31, 33
- Диск C: 37, 39, 41, 43, 47, 49
ТЕХНИЧЕСКИЕ ХАРАКТЕРИСТИКИ BS-2
| Характеристика | BS-2 |
|---|---|
| Передаточное отношение | 40:1 |
| Высота центра, мм | 132,7 |
| Габариты, мм | 365x272x236 |
| Масса BS-2 нетто, кг | 73 |
Дополнительные принадлежности BS-0:
- Патрон 3-х кулачковый Ø 175мм (BS-2 7")
- Доставка с фикс. стоимостью (бесплатно от 50 тыс.р.) бесплатно подробнее
- Самовывоз бесплатно подробнее
- Доставка с фикс. стоимостью 100р + 50р за каждый кг веса 105 ₽
-
СДЭК
--- ₽
выбрать на карте
-
Почта РФ
--- ₽
выбрать на карте


Отзывы к "Головка делительная полууниверсальная BS-2":
Пока нет отзывов