Горизонтальный одноосевой поворотный стол с хиртовым зацеплением ЧПУ HIT-500 GSA+
Горизонтальный одноосевой поворотный стол с хиртовым зацеплением ЧПУ HIT-500 GSA+
Данный горизонтальный одноосевой поворотный стол представляет собой высокотехнологичное оборудование, предназначенное для точного и эффективного производства в промышленности. HIT-500 GSA+ обладает широким спектром преимуществ и особенностей, которые делают его незаменимым инструментом в работе.
Преимущества:
- Высокая точность позиционирования
- Прочная конструкция для долговечности
- Удобное управление с помощью ЧПУ
- Хиртовое зацепление для надежности
- Различные режимы работы для разнообразных задач
Особенности:
- Мощность: 500 Вт
- Диаметр поворотного стола: 300 мм
- Максимальная нагрузка: 100 кг
- Точность позиционирования: 0,01 мм
- Материал: высокопрочная сталь
Горизонтальный одноосевой поворотный стол с хиртовым зацеплением ЧПУ HIT-500 GSA+ применяется в различных сферах промышленности, включая машиностроение, авиацию, электронику и другие отрасли, где требуется высокая точность и надежность оборудования.
Приобретите HIT-500 GSA+ и убедитесь в его эффективности и надежности уже сегодня!
Горизонтальные одноосевые поворотные столы с хиртовым зацеплением предназначены для горизонтальных ОЦ. Встроенное хиртовое зацепление, состоящее из 3 частей, обеспечивает точность позиционирования ±2” или ±3”, в зависимости от требований заказчика. Повторяемость ±0.5”
За счет 3-компонентной конструкции зацепления, поверхность стола не приподнимается во время поворота. Система зажима с большой поверхностью контакта обеспечивает большую жесткость при силовом резании.
Червячное колесо из бронзово-никелевого сплава в сочетании с червяком из закаленной стали обеспечивают высокую точность позиционирования длительное время. Вращение в прямом и обратном направлении.
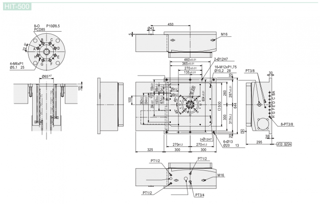
Технические характеристики HIT-500 | |||
|---|---|---|---|
| Характеристика | Ед. изм. | Значение | |
| Размер стола | мм | 500x500 | |
| Общая высота | мм | 310 | |
| Центральное отверстие | мм | 30Н7 | |
| Ширина Т-пазов | мм | 14Н7 | |
| Направление вращения | CW / CCW | ||
| Мощность привода зажима/разжима | кг/см2 | Гидравлический, 20 | |
| Тип сервомотора | Meldas | тип | HF-204S / HF-354S |
| Fanuc | а12i / а22i | ||
| Siemens | 1FK7083 / 1FK7101 | ||
| Heidenhein | QSY155B / QSY155D | ||
| Передаточное число | 1:120 | ||
| Минимальный угол | град. | 1 (5) | |
| Максимальные обороты | об/мин | 16,7 | |
| Вес нетто (без двигателя) | кг | 360 | |
| Усилие зажима | кг*м | 3700 | |
| Грузоподъемность | кг | 500 | |
| Точность позиционирования | с | ±5" | |
- Доставка с фикс. стоимостью (бесплатно от 50 тыс.р.) 100 ₽ подробнее
- Самовывоз бесплатно подробнее
- Доставка с фикс. стоимостью 100р + 50р за каждый кг веса 105 ₽
-
СДЭК
--- ₽
выбрать на карте
-
Почта РФ
--- ₽
выбрать на карте


Отзывы к "Горизонтальный одноосевой поворотный стол с хиртовым зацеплением ЧПУ HIT-500 GSA+":
Пока нет отзывов