Одноосевой поворотный стол ЧПУ CNC-320R GSA+
Одноосевой поворотный стол ЧПУ CNC-320R GSA+
Преимущества:
- Высокая точность и надежность
- Простая настройка и использование
- Продолжительный срок службы
- Широкий диапазон скоростей и нагрузок
Особенности:
- Модель: CNC-320R GSA+
- Тип: ЧПУ одноосевой поворотный стол
- Диаметр платформы: 320 мм
- Нагрузка: до 500 кг
Назначение:
Одноосевой поворотный стол ЧПУ CNC-320R GSA+ предназначен для точного позиционирования и вращения заготовок или деталей в процессе обработки на станках с ЧПУ.
Сферы применения:
- Машиностроение
- Авиационная промышленность
- Автомобильное производство
- Электроника
Поворотный стол ЧПУ CNC-320R GSA+ от компании 'Невастанкомаш' – это надежное и производительное оборудование, которое поможет вам улучшить качество и эффективность производственных процессов. Закажите сейчас и повысьте уровень автоматизации вашего производства!
Комбинация высокоточного червячного колеса из бронзо-никелевого сплава и стального закаленного червяка обеспечивают длительное сохранение точности позиционирования.
Многоточечная пневматическая или гидравлическая тормозная система обеспечивает превосходное усилие зажима, исключающее вибрацию при силовом резании.
Универсальный интерфейс, позволяющий проводить как контурную обработку с применением 4-й оси, так и индексирование по М-кодам при позиционной обработке.
Увеличенное отверстие в шпинделе позволяет закреплять трубные заготовки. Поворотные столы данного типа широко применяются на вертикальных обрабатывающих центрах и фрезерных станках. Двигатель может быть установлен как с правой, так и с левой стороны.
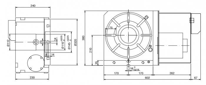
Технические характеристики CNC-320R GSA+ | ||
|---|---|---|
| Параметр | Ед. изм. | Значение |
| Диаметр | мм | 320 |
| Высота центров при вертикальной установке | мм | 210 |
| Высота стола при горизонтальной установке | мм | 240 |
| Общая высота при вертикальной установке | мм | 380 |
| Вес CNC-320R нетто (без двигателя) | кг | 210 |
| Центральное отверстие | мм | 110Н7 |
| Ширина Т-пазов | мм | 14Н7 |
| Ширина направляющего сухаря | мм | 18Н7 |
| Сервомотор Meldas | HF-204S | |
| Сервомотор Fanuc | a12i | |
| Сервомотор Siemens | 1FK7083 | |
| Сервомотор Heidenhein | QSY155B | |
| Передаточное число | 1:180/1:90 | |
| Минимальный угол | град | 0,001 |
| Максимальные обороты | об/мин | 11,1/22,2 |
| Усилие пневмозажима | кг*м | 71 |
| Усилие гидрозажима | кг*м | 142 |
| Класс точности позиционирования | 15” | |
| Повторяемость (Однонаправленный) | с | ±4” |
| Повторяемость (Двунаправленный) | с | ±8” |
| Макс. усилие резания | кг*м | 78 |
| Максимальные нагрузки | |||
|---|---|---|---|
| Параметр | Схема | Ед. изм. | Значение |
| Максимальная вертикальная нагрузка | кг | W = 175 | |
| Максимальная горизонтальная нагрузка | кг | W = 350 | |
| Максимальное радиальное усилие | кг | F = 2500 | |
| Максимальное радиальное усилие | кг*м | FxL = 142 | |
| Максимальное радиальное усилие | кг*м | FxL = 200 | |
- Доставка с фикс. стоимостью (бесплатно от 50 тыс.р.) 100 ₽ подробнее
- Самовывоз бесплатно подробнее
- Доставка с фикс. стоимостью 100р + 50р за каждый кг веса 105 ₽
-
СДЭК
--- ₽
выбрать на карте
-
Почта РФ
--- ₽
выбрать на карте


Отзывы к "Одноосевой поворотный стол ЧПУ CNC-320R GSA+":
Пока нет отзывов