Одноосевой поворотный стол ЧПУ CNC-630R GSA+
Преимущества одноосевого поворотного стола ЧПУ CNC-630R GSA+
- Высокая точность и плавность работы
- Простота управления с помощью ЧПУ
- Надежность и долговечность
- Универсальность - возможность использования в различных отраслях промышленности
- Быстрая настройка и гарантированное качество работы
Особенности одноосевого поворотного стола ЧПУ CNC-630R GSA+
- Диаметр стола - 630 мм
- Нагрузка на стол - до 1000 кг
- Точность позиционирования - 0,01 мм
- Совместимость с различными моделями оборудования
Назначение одноосевого поворотного стола ЧПУ CNC-630R GSA+
Одноосевой поворотный стол ЧПУ CNC-630R GSA+ предназначен для точного и плавного поворота заготовок и деталей при обработке на станках с ЧПУ. Он обеспечивает высокую точность и качество обработки, что делает его незаменимым инструментом для производства промышленных изделий.
Сферы применения одноосевого поворотного стола ЧПУ CNC-630R GSA+
- Машиностроение
- Автомобильная промышленность
- Авиационная отрасль
- Энергетика
- Медицинское оборудование
Комбинация высокоточного червячного колеса из бронзо-никелевого сплава и стального закаленного червяка обеспечивают длительное сохранение точности позиционирования.
Многоточечная пневматическая или гидравлическая тормозная система обеспечивает превосходное усилие зажима, исключающее вибрацию при силовом резании.
Универсальный интерфейс, позволяющий проводить как контурную обработку с применением 4-й оси, так и индексирование по М-кодам при позиционной обработке.
Увеличенное отверстие в шпинделе позволяет закреплять трубные заготовки. Поворотные столы данного типа широко применяются на вертикальных обрабатывающих центрах и фрезерных станках. Двигатель может быть установлен как с правой, так и с левой стороны.
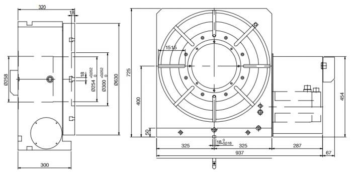
Технические характеристики CNC-630R GSA+ | ||
|---|---|---|
| Параметр | Ед. изм. | Значение |
| Диаметр | мм | 630 |
| Высота центров при вертикальной установке | мм | 400 |
| Высота стола при горизонтальной установке | мм | 320 |
| Общая высота при вертикальной установке | мм | 725 |
| Вес CNC-630R нетто (без двигателя) | кг | 860 |
| Центральное отверстие | мм | 254Н7 |
| Ширина Т-пазов | мм | 18Н7 |
| Ширина направляющего сухаря | мм | 18Н7 |
| Сервомотор Meldas | HF-354S | |
| Сервомотор Fanuc | a22i | |
| Сервомотор Siemens | 1FK7101 | |
| Сервомотор Heidenhein | QSY155D | |
| Передаточное число | 1:180 | |
| Минимальный угол | град | 0,001 |
| Максимальные обороты | об/мин | 11,1 |
| Усилие пневмозажима | кг*м | 350 |
| Усилие гидрозажима | кг*м | 700 |
| Класс точности позиционирования | 15” | |
| Повторяемость (Однонаправленный) | с | ±4” |
| Повторяемость (Двунаправленный) | с | ±8” |
| Макс. усилие резания | кг*м | 320 |
| Максимальные нагрузки | |||
|---|---|---|---|
| Параметр | Схема | Ед. изм. | Значение |
| Максимальная вертикальная нагрузка | кг | W = 400 | |
| Максимальная горизонтальная нагрузка | кг | W = 1000 | |
| Максимальное радиальное усилие | кг | F = 5000 | |
| Максимальное радиальное усилие | кг*м | FxL = 700 | |
| Максимальное радиальное усилие | кг*м | FxL = 800 | |
- Доставка с фикс. стоимостью (бесплатно от 50 тыс.р.) 100 ₽ подробнее
- Самовывоз бесплатно подробнее
- Доставка с фикс. стоимостью 100р + 50р за каждый кг веса 105 ₽
-
СДЭК
--- ₽
выбрать на карте
-
Почта РФ
--- ₽
выбрать на карте


Отзывы к "Одноосевой поворотный стол ЧПУ CNC-630R GSA+":
Пока нет отзывов