Одноосевой поворотный стол ЧПУ CNC-800R GSA+
Одноосевой поворотный стол ЧПУ CNC-800R GSA+
Приветствуем вас в магазине промышленного оборудования компании 'Невастанкомаш'! Представляем вашему вниманию одноосевой поворотный стол ЧПУ CNC-800R GSA+, который станет незаменимым помощником в вашем производстве.
Преимущества:
- Высокая точность и надежность
- Простота в использовании и настройке
- Высокая производительность и эффективность
- Долгий срок службы
- Инновационные технологии ЧПУ
Особенности:
- Мощный двигатель для плавного и точного поворота
- Жесткая конструкция для стабильной работы
- Интеграция с системами ЧПУ для автоматического управления
Назначение:
Одноосевой поворотный стол ЧПУ CNC-800R GSA+ предназначен для точного и плавного поворота заготовок и деталей в процессе обработки на станках с ЧПУ. Этот устройство позволит вам увеличить производительность и качество вашего производства.
Сферы применения:
- Машиностроение
- Авиационная промышленность
- Автомобильная промышленность
- Судостроение
- Производство электроники
Не упустите возможность улучшить свое производство с помощью одноосевого поворотного стола ЧПУ CNC-800R GSA+! Закажите его прямо сейчас и убедитесь в его высоком качестве и эффективности.
Комбинация высокоточного червячного колеса из бронзо-никелевого сплава и стального закаленного червяка обеспечивают длительное сохранение точности позиционирования.
Многоточечная пневматическая или гидравлическая тормозная система обеспечивает превосходное усилие зажима, исключающее вибрацию при силовом резании.
Универсальный интерфейс, позволяющий проводить как контурную обработку с применением 4-й оси, так и индексирование по М-кодам при позиционной обработке.
Увеличенное отверстие в шпинделе позволяет закреплять трубные заготовки. Поворотные столы данного типа широко применяются на вертикальных обрабатывающих центрах и фрезерных станках. Двигатель может быть установлен как с правой, так и с левой стороны.
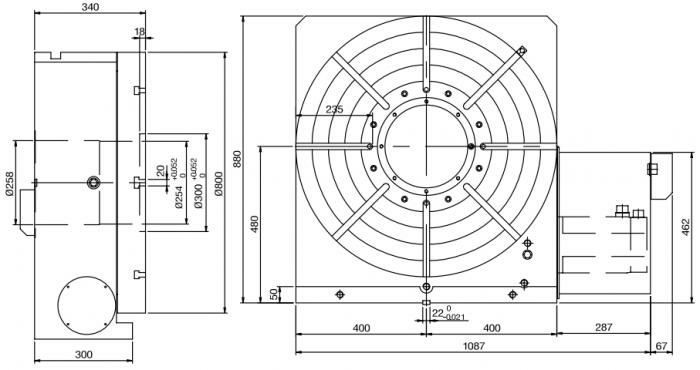
Технические характеристики CNC-800R GSA+ | ||
|---|---|---|
| Параметр | Ед. изм. | Значение |
| Диаметр | мм | 800 |
| Высота центров при вертикальной установке | мм | 480 |
| Высота стола при горизонтальной установке | мм | 340 |
| Общая высота при вертикальной установке | мм | 880 |
| Вес CNC-800R нетто (без двигателя) | кг | 1200 |
| Центральное отверстие | мм | 254Н7 |
| Ширина Т-пазов | мм | 20Н7 |
| Ширина направляющего сухаря | мм | 22Н7 |
| Сервомотор Meldas | HF-354S | |
| Сервомотор Fanuc | a22i | |
| Сервомотор Siemens | 1FK7101 | |
| Сервомотор Heidenhein | QSY155D | |
| Передаточное число | 1:180 | |
| Минимальный угол | град | 0,001 |
| Максимальные обороты | об/мин | 11,1 |
| Усилие пневмозажима | кг*м | 430 |
| Усилие гидрозажима | кг*м | 1050 |
| Класс точности позиционирования | 15” | |
| Повторяемость (Однонаправленный) | с | ±4” |
| Повторяемость (Двунаправленный) | с | ±8” |
| Макс. усилие резания | кг*м | 350 |
| Максимальные нагрузки | |||
|---|---|---|---|
| Параметр | Схема | Ед. изм. | Значение |
| Максимальная вертикальная нагрузка | кг | W = 600 | |
| Максимальная горизонтальная нагрузка | кг | W = 1500 | |
| Максимальное радиальное усилие | кг | F = 6000 | |
| Максимальное радиальное усилие | кг*м | FxL = 1050 | |
| Максимальное радиальное усилие | кг*м | FxL = 1000 | |
- Доставка с фикс. стоимостью (бесплатно от 50 тыс.р.) 100 ₽ подробнее
- Самовывоз бесплатно подробнее
- Доставка с фикс. стоимостью 100р + 50р за каждый кг веса 105 ₽
-
СДЭК
--- ₽
выбрать на карте
-
Почта РФ
--- ₽
выбрать на карте


Отзывы к "Одноосевой поворотный стол ЧПУ CNC-800R GSA+":
Пока нет отзывов