Шлифовальный станок Смарт-250-2/200
Шлифовальный станок Смарт-250-2/200
Шлифовальный станок Смарт-250-2/200 - это надежное и эффективное оборудование для обработки различных поверхностей. Он отлично подходит для шлифовки металлических и деревянных деталей, обеспечивая идеально ровные и гладкие поверхности.
Преимущества шлифовального станка Смарт-250-2/200:
- Высокая производительность и качество обработки
- Простота настройки и использования
- Долговечность и надежность
- Эргономичный дизайн и компактные размеры
Особенности шлифовального станка Смарт-250-2/200:
- Две рабочие головки для повышенной производительности
- Регулируемая скорость вращения для различных материалов
- Интегрированная система охлаждения
- Возможность подключения пылеудаляющей системы
Шлифовальный станок Смарт-250-2/200 находит широкое применение в различных отраслях промышленности, включая машиностроение, станкостроение, мебельное производство и другие. Он позволяет быстро и качественно обрабатывать различные поверхности, повышая производительность и эффективность производственных процессов.
Шлифовальный станок Смарт-250-2/200
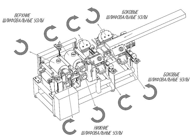
Шлифовальный станок изпользуется на деревообрабатывающих предприятиях для предварительной и финишной шлифовки погонажа, а так же для подготовки плоских и профильных погонажных изделий к окрашиванию и промежуточного шлифования после окраски и грунтования перед отделкой.
Обрабатываемая продукция: фасадные профили, молдинги, плинтусы, элементы дверных коробок, наличники, оконные профили и профили оконных рам, и другие элементов.
На оборудовании возможна обработка любых материалов: дерево, натуральный массив, фанера, шпон, МДФ, ДВП, ДСП, пластик, алюминий.
Возможно шлифовать заготовки, ширина которых не превышает 250 мм, высота – 100 мм.
Станок может быть оснащен шлифовальными щетками диаметром 210-280 мм различной степени жесткости, что дает возможность повысить качество обработки материала и повысить функциональность станка (большое значение имеет выбор щеток, которые позволяют создавать необходимый эффект на поверхности обрабатываемой заготовки).
Технические характеристики шлифовального станка Смарт-250-2/200
| Количество верхних шлифовальных барабанов, шт | 2 |
| Количество нижних шлифовальных барабанов, шт | 0 |
| Количество боковых шлифовальных барабанов, шт | 0 |
| Ширина обрабатываемых деталей, мм | 10 ... 250 |
| Длина обрабатываемых деталей, наименьшая, мм | 800 / 460 |
| Толщина обрабатываемых деталей, не более, мм | 100 |
| Диаметр шлифовального инструмента, мм | 250 |
| Мощность двигателей шлифовальных агрегатов, кВт | 1,1 |
| Мощность двигателя подачи, кВт | 0,55 |
| Число оборотов шпинделей, об/мин | 300...1400 |
| Скорость подачи, м/мин | 8...40 |
| Диаметр патрубков верхних шлифовальных агрегатов, мм | 95 |
| Диаметр патрубков боковых шлифовальных агрегатов, мм | 95 |
| Напряжение питания, В | 380 |
- Доставка с фикс. стоимостью (бесплатно от 50 тыс.р.) 100 ₽ подробнее
- Самовывоз бесплатно подробнее
- Доставка с фикс. стоимостью 100р + 50р за каждый кг веса 105 ₽
-
СДЭК
--- ₽
выбрать на карте
-
Почта РФ
--- ₽
выбрать на карте


Отзывы к "Шлифовальный станок Смарт-250-2/200":
Пока нет отзывов