Токарный обрабатывающий центр с ЧПУ NINGBO BLIN MACHINERY BL-S40M
Токарные обрабатывающие центры с ЧПУ NINGBO BLIN MACHINERY серии BL-S40 используются для обработки прутков из различных типов металлов.
Преимущества NINGBO BLIN MACHINERY BL-S40M
Высокая производительность и точность обработки.
Компоненты станка NINGBO BLIN MACHINERY BL-S40M
- Система ЧПУ Fanuc (Япония), SIEMENS (Германия), SYNTEC (Тайвань)
- Приводы Fanuc (Япония), SIEMENS (Германия), SYNTEC (Тайвань)
- ШВП HIWIN (Тайвань)
- Направляющие HIWIN (Тайвань)
- Подшипники шпинделя NSK (Япония)
- Револьверная голова SAUTER (Германия)
- Система смазки HERG (Япония)
- Электрокомпоненты SCHNEIDER (Франция)
- Пневмокомпоненты AIRTAC (Тайвань)
- Реле OMRON (Япония)
- Гидравлические патроны AUTOGRIP (Тайвань)
- Зубчатые ремни GATES (США)
- Крепёж YINSH (Тайвань)
- Муфты KTR (Германия).
Стандартная комплектация NINGBO BLIN MACHINERY BL-S40M
- Система ЧПУ SIEMENS 808D ADVANCED
- Ручной маховичок управления (MPG)
- Станина чугунная с наклоном 30 град.
- Линейные направляющие по осям X/Z
- Сервоприводы SIEMENS по осям X/Z
- Шпиндель высокоточный с осью С1 с электромагнитным тормозом
- Гидравлический патрон 6"главного шпинделя
- Револьверная головка на 12 позиций
- Револьверная головка на 12 позиций, крепление инструмента VD130
- Конвейер для удаления стружки с баком
- Система подачи СОЖ
- Автоматическая система смазки
- Освещение рабочей зоны станка
- 3-х цветная сигнальная лампа
- Выносная педаль управления
- Блокировка замка передней двери с помощью датчика (стандарт безопасности СЕ)
- Трансформатор 380В (3 фазы встроенный)
- Комплект инструментов для настройки и обслуживания станка
- Комплект документации по обслуживанию станка на русском языке
- Комплект документации по эксплуатации станка на русском языке
- Комплект документации по системе ЧПУ
- Осевой приводной блок VDI30 – 1 шт.
- Радиальный приводной блок VDI30 – 1 шт.
- Держатели инструмента – 8 шт. (для статического инструмента).
Дополнительные опции NINGBO BLIN MACHINERY BL-S40M
- Замена стойки ЧПУ на SIEMENS 828D
- Замена стойки ЧПУ на FANUC 0i TF
- Замена стойки ЧПУна SYNTEC 22TA
- Деталеуловитель
- Фильтр удаления масляного тумана
- Автоматическая подача прутка (барфидер) FEDEK DH 65L
- Пуско-наладочные работы станка.
Токарные обрабатывающие центры с ЧПУ NINGBO BLIN MACHINERY серии BL-S40 используются для обработки прутков из различных типов металлов.
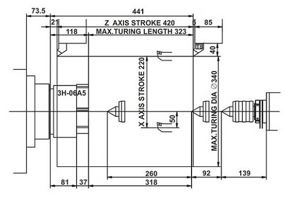
Технические характеристики NINGBO BLIN MACHINERY BL-S40M
| Наименование | Размерность | BL-S40M | ||
| Основные характеристики | Максимальный диаметр заготовки, устанавливаемый над станиной | мм | Ø 500 | |
| Максимальный диаметр заготовки, устанавливаемый над суппортом | мм | Ø 270 | ||
| Максимальная длина точения | мм | 280 | ||
| Максимальный диаметр точения | мм | Ø 340 | ||
| Главный шпиндель | Тип шпинделя | - | Механический шпиндель, ременный привод | |
| Диаметр отверстия шпинделя | мм | Ø 56 | ||
| Торец шпинделя | - | А2-5 | ||
| Максимальная скорость шпинделя | об/мин | 5000 | ||
| Максимальный диаметр обрабатываемого прутка | мм | 44 | ||
| Мощность шпинделя | кВт | 7,5 | ||
| Патрон шпинделя | дюйм | 6" | ||
| Индексация оси c | 0,001° | |||
| Перемещения (по осям X, Y, Z) | Тип линейных направляющих | - | роликовые | |
| Перемещение по оси x | мм | 160+20 | ||
| Перемещение по оси z | мм | 290 | ||
| Быстрые перемещения по осям x/z | м/мин | 30 | ||
| Револьверная голова | Тип револьверной головы | - | Серво-гидравлическая | |
| Количество инструментальных позиций | шт. | 12 | ||
| Время смены инструмента | сек | 0,4 | ||
| Время полного поворота головы | сек | 0,57 | ||
| Сечение хвостовиков инструмента | мм | 20х20, Ø 32 | ||
| Мощность приводного инструмента | кВт | 3,3 (SIEMENS 828D) | ||
| Максимальный крутящий момент приводного инструмента | Нм | 16 (SIEMENS 828D) | ||
| Скорость приводного инструмента | об/мин | 4 500 | ||
| Тип крепления инструмента | VDI30 | |||
| Задняя бабка | Диаметр пиноли | мм | -- | |
| Перемещение пиноли | мм | -- | ||
| Конус задней бабки | -- | |||
| Точностные характеристики | Шероховатость | мм | Ra0.4÷1.6 | |
| Соосность | мм | ≤0,003 | ||
| Точность позиционирования по осям (x/z) | мм | 0,005/0,008 | ||
| Повторяемость по осям (x/z) | мм | 0,002/0,004 | ||
| Другие характеристики | Мощность двигателя насоса СОЖ | кВт | 0,58 | |
| Расход сож | м3/ч | 2,5 | ||
| Габариты станка | Длина | мм | 1900 | |
| Ширина | мм | 1500 | ||
| Высота | мм | 1600 | ||
| Вес станка | кг | 2900 | ||
| Система чпу | - | SIEMENS 808D | ||
ВАРИАНТЫ ДОСТАВКИ:
- Доставка с фикс. стоимостью (бесплатно от 50 тыс.р.) 100 ₽ подробнее
- Самовывоз бесплатно подробнее
- Доставка с фикс. стоимостью 100р + 50р за каждый кг веса 105 ₽
-
СДЭК
--- ₽
выбрать на карте
-
Почта РФ
--- ₽
выбрать на карте
СПОСОБЫ ОПЛАТЫ:


Отзывы к "Токарный обрабатывающий центр с ЧПУ NINGBO BLIN MACHINERY BL-S40M":
Пока нет отзывов